Product description
Application area
Mainly used in agricultural and petroleum machinery
Product parameters
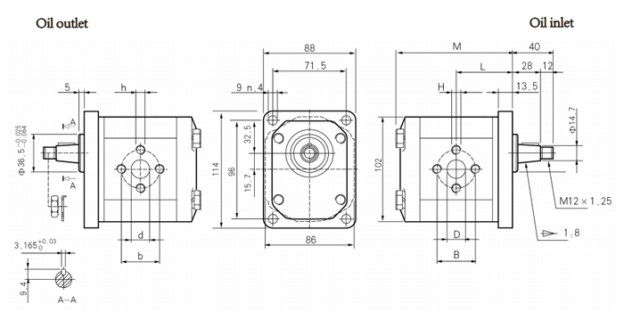
M6 thread depth 13, M8 thread depth 17.
When installing the pump, the torque of the n.4M10 screw is set to 70 ... 75Nm.
The shaft extension M12 × 1.25 nut torque is set to 50Nm.

Specifications
